Power Electronics
Power Electronics is the art of converting the electric power available from a source to that required by a load (i.e., matching the properties of the source with the requirements of the load). The conversion is performed by a power converter composed of semiconductor devices (diodes, switches), energy storage elements (inductors, capacitors), and isolation transformers.
Diode Rectifiers
A diode is a 2-terminal pn-junction device which conducts when it is forward biased. I.e when exceeds a
Thyristor (SCR)
A 3-terminal pnpn-junction device which is half controlled (takes control signal input when ON but controlled by circuit when OFF)
SCR
This behaves like a diode when off
These are for very high powered applications.
Controllable Switches
This can be turned on or off by a control signal. When forward biased, the switch can be turned on by applying a positive voltage or current at the terminal or turned off by applying a negative voltage or current
When turned on, the switch conducts in one direction and when off it usually blocks positive voltages.
BJTs
When forward biased, BJTs can be turned on by injecting a positive current of specified value, this current needs to be maintained for the duration that the switch is on
BJTs cannot withstand reverse voltages
MOSFET
This is a voltage controlled device that we care more about
When a positive voltage is applied it turns on and this voltage needs to be maintained
A current is drawn right when the MOSFET turns on or off then it goes away making power consumption low.
The main advantage
The main idea here is that we want to go from on to off as fast as possible to reduce losses making MOSFETs have very high switching speeds
IGBT
We prefer to use these over IGCTs
This is a voltage controlled device where this is turned on when a positive voltage is applied to the gate which must be maintained. Since this is voltage driven, not much power is required for operation. This combines the advantages of MOSFETs (low power consumption) BJTs (low-on voltage drop) and GTOs (reverse voltage blocking)
IGCT
This is voltage controlled implying that it has low power consumption due to it drawing not much current. It is in the Thyristor family
Single Phase Diode Rectifier
Two diodes have common cathodes, and two have common anodes. They are both forward biased. In practical cases, a capacitor is connected across the dc side terminals to reduce ripples.

Three Phase Diode Rectifiers
These rectifiers can handle higher loads.

Where
Thyristor Converters
These are being phased out and are expensive.
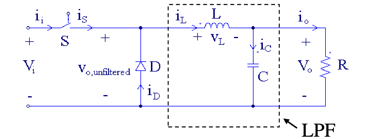
DC/DC Converters
Step-down Converters (Buck)
Duty cycle: which is between 0 and 1
When the switch is on
When is > 0, >0 and is increasing
When the switch is off
We have an open circuit
When goes down, and as soon as > D is forward biased

Useful equations:
No capacitor in buck converters since capacitors reduce the speed of response. There are no Lās either since does current filtering to prevent torque oscillations.
Either way, during steady-state, L is not shown because it is a short wire for s.c